减法器的设计与实现并用译码器显示16、10进制

作者:小牛呼噜噜 | https://xiaoniuhululu.com 计算机内功、JAVA源码、职业成长、项目实战、面试相关资料等更多高质量文章,首发于公众号「小牛呼噜噜」
大家新年好,我是呼噜噜,2023我们继续航行。在上一篇文章里我们了解了半加器和全加器的设计与实现,今天我们来看下CPU中减法器是如何实现的。文章比较长,大家可以收藏反复观看
计算机为什么利用反码来实现减法?
我们来看一个最常见的例子,2-1 =1这是减法,但它等同于 2+ (-1) =1 这其实是加法。从运算逻辑上来说,减法可以通过加法来实现,这是可行的。 从硬件电路层面说,我们很容易让电子实现汇总的效果,但是将电子群拆分出多个更小的集群,是不容易的。还有一个好处是利用加法器能实现减法的效果的话,就不需要再为减法器专门设计电路了,降低了电路的复杂度。
由于计算机采用的是二进制,和我们天生熟悉的十进制还是有区别的,那么二进制能否实现用加法来实现减法效果? 很幸运地是,当初那群计算机 大拿将二进制玩的是炉火纯青,通过原码->反码->补码,一步步实现了二进制通过加法来实现减法效果。其中原理大家感兴趣地,可以看看笔者之前的一篇文章 计算机中数值和字符串怎么用二进制表示?
补码真的是一个天生完美的奇妙存在,基于补码的机制,减法可以转化为加法,也就意味着计算机可以通过加法器实现减法。
看完笔者的那篇文章,我们知道了补码产生的手动:正数原码不变,负数的符号位不变, 其余各位取反, 最后一位+1

减法器的实现
要实现原码到补码的转换,需要一个取反器,我们先来写出减法逻辑的真值表:
| E(控制是否取反的输入) | I(输入的值) | O(输出) |
|---|---|---|
| 0 | 0 | 0 |
| 0 | 1 | 1 |
| 1 | 0 | 1 |
| 1 | 1 | 0 |
通过真值表,我们可以很容易发现这其实就是一个异或门(相同为0,不同为1)
我们来实现一个8位的取反器,由于是8位的,所以输入选这8位输入,还得连一个8位的分线器,输出类似。异或门得有8个,每个都需和控制是否取反的输入相连。
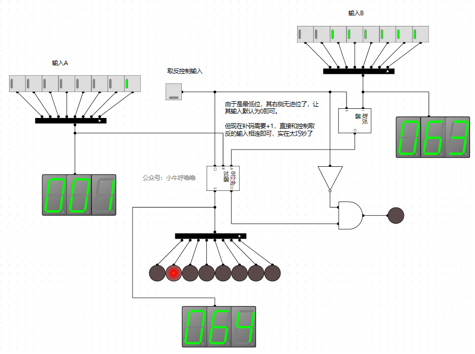
我们将之前的全加器和减法器结合起来,需要注意的是补码需要取反再+1,取反可以将输入和取反器相连,+1可以将全加器最低位的进位与控制取反的输入相连即可,极简单又巧妙
我们来启动模拟,看下效果: 
上图计算结果,相当于:
1+1 =2 1-1 =0
但是上面有个问题是,1-1=0时,虽然灯泡是0,但是旁边的溢出标志显示溢出了,我们还需改造一下。我们这里简单地,就直接让减法不溢出即可(这种处理方式还是比较粗暴的,但是实现起来比较简单) 我们来写出溢出输入IY,是否取反输入IF(如果取反,就代表是减法操作),溢出输出O的真值表关系
| IY | IF | O |
|---|---|---|
| 0 | 0 | 0 |
| 1 | 0 | 1 |
| 0 | 1 | 0 |
| 0 | 1 | 0 |
我们可以推出公式:O=非IF * IY,所以需要非门和与门
这样就减法时,就不会溢出了。但其实这个加法器只能做正数的减法(也就是输入A得大于等于输入B),如果最后结果为负数的,还是有bug的。我们后面有机会再优化
7段数码管16进制显示
由于用灯泡表示二进制,每次得出的结果,还要我们去换算成10进制,非常不直观,我们接下来利用数码管,来将二进制数"翻译"成10进制数。
我们这边利用的是7段数码管来实现的,数码管其实就是多个LED灯,不同的位控制不同的LED。从第0位到第7位,通过控制不同的LED来组合出数字。第7位比较特殊,数码管显示的是点
我们用上面的电路,一一将0~F16个数显示出来,各个开关的情况记录成下面的表:
| 数值 | 开关(2进制) | HEX(16进制) |
|---|---|---|
| 0 | 0011 1111 | 0x3F |
| 1 | 0011 0000 | 0x06 |
| 2 | 0101 1011 | 0x5B |
| 3 | 0100 1111 | 0x4F |
| 4 | 0110 0110 | 0x66 |
| 5 | 0110 1101 | 0x6D |
| 6 | 0111 1101 | 0x7D |
| 7 | 0000 0111 | 0x07 |
| 8 | 0111 1111 | 0x7F |
| 9 | 0110 1111 | 0x6F |
| A | 0111 0111 | 0x77 |
| b | 0111 1100 | 0x7C |
| C | 0011 1001 | 0x39 |
| D | 0101 1100 | 0x5E |
| E | 0111 1001 | 0x79 |
| F | 0111 0001 | 0x71 |
这其实就是7段数码管的共阴极对照表,还有共阳极对照表这里我们就不展示了。
如果直接用组合电路来封装8位输入,7段数码管的16进制显示,的确是可以的,但如果是16位,32位,64位输入,电路会异常的复杂,我们这边用储存器ROM来实现这个功能
ROM只读存储器,是以非破坏性读出方式工作,它非易失性存储器,当电源被移除时,其数据内容不会被擦除,它还有个特点就是只能读出而不能写入信息,其所存的数据,一般是装入整机前事先写好的,整机工作过程中只能读出。
需要注意的是: 虽然ROM和硬盘有一些共性,但不能简单地说ROM就是硬盘
常常与ROM相比的还有一个RAM(随机存取存储器),也就是我们常说的主存,是与CPU直接交换数据的内部存储器,它的特点:随机存取、数据易失、对静电敏感、访问速度快、需要刷新。RAM在断电以后保存在上面的数据会自动消失
我们使用ROM和7段数码管来显示16进制的数0~F,选用地址位宽为4,数据位宽为8,只需把对应的数据提前写入对应的地址中即可。
这里需要注意一下,为什么我们选用地址位宽为4,数据位宽为8的ROM?
首先我们需要明白(1111 1111)2 = (f f)16, 7段数码管可以表示0~F 16进制数,我们可以用2个7段数码管并联将8位二进制数译码成16进制数。 我们就先考虑1个7段数码管和ROM的关系,单个"f"也就是第16个数,也就是说4位二进制,即4位输入,最大值为16
- 地址位宽为4, 可以保证寻址2^4=16,分别对应十六进制下的0~F
- 数据位宽为8,相当于2个7段数码管,一个7段数码管需要4位输入,2个就是8位输入
我们想显示16进制数,0~F,我们需要4位二进制输入,其最大值1111,就是16(F),结合上面的共阴极对照表,我们就能总结下面的表:
| A3 | A2 | A1 | A0 | Number | HEX(16进制) |
|---|---|---|---|---|---|
| 0 | 0 | 0 | 0 | 0 | 0x3F |
| 0 | 0 | 0 | 1 | 1 | 0x06 |
| 0 | 0 | 1 | 0 | 2 | 0x5B |
| 0 | 0 | 1 | 1 | 3 | 0x4F |
| 0 | 1 | 0 | 0 | 4 | 0x66 |
| 0 | 1 | 0 | 1 | 5 | 0x6D |
| 0 | 1 | 1 | 0 | 6 | 0x7D |
| 0 | 1 | 1 | 1 | 7 | 0x07 |
| 1 | 0 | 0 | 0 | 8 | 0x7F |
| 1 | 0 | 0 | 1 | 9 | 0x6F |
| 1 | 0 | 1 | 0 | A | 0x77 |
| 1 | 0 | 1 | 1 | b | 0x7C |
| 1 | 1 | 0 | 0 | C | 0x39 |
| 1 | 1 | 0 | 1 | d | 0x5E |
| 1 | 1 | 1 | 0 | E | 0x79 |
| 1 | 1 | 1 | 1 | F | 0x71 |
根据对应关系,我们把电路和存储器相应地址数据预先填进去
我们启动模拟看下效果:
测试完成后,将4个开关换成4位输入。接着我们将2个4位16进制译码器并联,就成了8位16进制译码器,并封装一下:
并将它与上文的全加器与减法器结合起来:
nice!
7段数码管10进制显示
通过上一小节,我们成功把8位二进制数,"翻译"成16进制数,但距离我们更熟悉的十进制还是有点距离的,我们本小节继续改进7段数码管,实现10进制的译码
由于(1111 1111)2 = (255)10, 最大值为255
ROM需要8位地址位宽,2^8 = 256,确保能够将256个数(0 ~255)全部找到;255是3位数,我们至少需要3个数码管(也就是我们上一小节封装的4位16进制译码管),1个数码管需要4位输入,所以ROM数码管的数据位宽为12
电路实现:我们可以使用8个开关,来表示8位输入;选用8位地址位宽且数据位宽为12的ROM,通过8位3针脚的分线器和3个4位16进制译码管相连即可。
由于ROM的查找表有255个数,不能像之前一样一个个手动填写,我们可以利用Python来实现(电脑中需要有Python3的环境)。

将其另存到桌面上为test.bin文件,用vscode打开该文件(需要安装 hex editor插件来显示二进制),以小端显示:

test.py:
with open('test.bin', 'wb') as f:
for i in range(256):
var = str(i)
var = int(var, base=16) //先转成16进制
byte = var.to_bytes(2, byteorder='little')// 再转化成二进制,以显示小端
print(byte)
f.write(byte)将其放到test.bin 同级目录后,直接运行命令python test,py后,test.bin就变成了:
这种55 02 其实是 255,31 02 为 231 , 像这种55 02 就是小端表示法。
将test.bin 重新加载到ROM中

我们来启动模拟看看:
我们将输入替换开关,然后封装成8位10进制译码器电路,接上之前的减法器的电路: 
21选择器 增强 10进制显示
我们现在有个需求,001,前面的0不想要,就想要1,我们借助21选择器来实现 高位为零时,数码管不亮
我们先来看一下1位21选择器,首先有2个输入,分别为A和B,以及一个有效位EN,一个输出S。我们的目的是实现:有效输出A,无效输出B。根据目的我们可以写出真值表:
| EN | A | B | S |
|---|---|---|---|
| 0 | 0 | 0 | 0 |
| 0 | 0 | 1 | 1 |
| 0 | 1 | 0 | 0 |
| 0 | 1 | 1 | 1 |
| 1 | 0 | 0 | 0 |
| 1 | 0 | 1 | 0 |
| 1 | 1 | 0 | 1 |
| 1 | 1 | 1 | 1 |
我们可以得出公式 S = EN与A + 非EN与B,进而可以画出电路图
封装后,模拟一下:
我们继续画出8位21选择器,只需将8个1位21选择器组合在一起:
将其封装一下,接着模拟测试:
7段数码管10进制显示增强的电路,我们再重新设计一下:
最后把其封装一下,放到减法器和加法器的电路中,演示一下:

完美,这样就实现了我们的目的。
尾语
本文我们将上一小篇文章中的简易加法器进行来改进,通过补码,让加法器也是运算减法。接着为了让我们观察结果更加方便,我们使用了7段数码管实现了 16进制、10进制显示,最终优化了10进制显示,使其只显示有效位的数值。
关注公众号:小牛呼噜噜,回复 "手写一个CPU源码",即可获取该项目所有源码
本系列到目前为止主要是组合逻辑电路的相关知识,后续我们会探究时序逻辑电路的奥秘,来看看开关究竟是如何实现CPU除计算功能外另一个重要的功能"记忆功能"。
参考资料:
- 《编码:隐匿在计算机软硬件背后的语言》
- 一个8位二进制CPU的设计和实现,踌躇月光
- 《穿越计算机的迷雾》
- 深入浅出计算机组成原理,徐文浩
- 运行内存,百度百科
作者:小牛呼噜噜
本文到这里就结束啦,感谢阅读,关注同名公众号:小牛呼噜噜,防失联+获取更多技术干货